Oscillator中的晶體電流測量
來源:http://www.qp11688.cn 作者:金洛鑫電子 2019年07月08
美國知名的晶體振蕩器制造商Q-Tech Corporation公司,于1972年創辦,其品質與制造能力達到行業領先水平,與航空航天公司,工業,汽車,通信,電信等高端產業均有合作.而且大部分Oscillator產品都比較特殊,有專門的空間晶體振蕩器,用于軍事/航空電子設備的晶體振蕩器,高溫晶體振蕩器,實時時鐘晶體振蕩器,QPL振蕩器,新微型振蕩器等.本文內容由Q-Tech晶振公司提供,關于Oscillator內置的石英晶體電流測量技術的完整報告.
晶體的驅動電平是振蕩器放大器電路中晶體所見功耗的測量值.驅動電平以毫瓦(mW)或微瓦(μW)表示.最大功耗通常由所用石英類型和制造商規定,典型額定值為1mW或2mW.晶體的驅動電平由晶體兩側選擇的反饋分量定義.石英諧振器的機械振動幅度與施加的電流成比例地增加.過度驅動晶體會導致過長的老化,輸出幅度和頻率失真,或者更糟糕的是諧振器的損壞.
行業標準:
IEC-60444-6國際,IEC,石英驅動電平依賴性(DLD)的測量
MIL-C-40468軍用,規格,水晶單元石英(自2009年9月起取消)
Q-TECH設計方法:
-目標是設計具有最低驅動電平的晶體,具有足夠的驅動能力,以極低的驅動器到工作驅動電平提供能量啟動石英晶振,并在最壞情況下維持穩態振蕩,包括電源電壓變化,功率供應斜率,工作溫度和環境因素.
-Q-Tech驅動電平在基模上為50μW至100μW,在泛音模式振蕩器上為200μW至500μW.
-Q-Tech在晶體測量中使用驅動電平相關性(DLD)的標準方法,允許的最大ESR比為1.3:1.
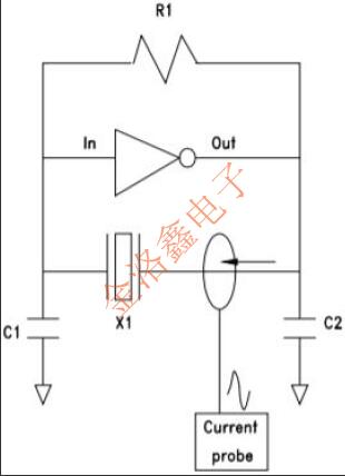
如何測量Oscillator的驅動水平:
使用Tektronix交流電流探頭放大器TCP312和Tekprobe電流探頭測量流過晶體的交流電流,電路偏置電壓為3.465Vdc,最小電流靈敏度為1mA.
建立:
-通過連接到晶體的導線插入電流探頭.見圖1. -測量直接晶振參數RS,RL,C0
-RL也可以用RL=RS*(1+C0/CL)2來計算
-從示波器讀取峰峰值的交流電流(Ipp)
-CalculateRMS電流(Irms)與Irms=Ipp/(2√2)
-Power計算方法:
Pcrystal=RL*(Irms)2
120MHz第3OVERTONE振蕩器的結果:C0=1.88pF,CL=20pF,RL=30Ω,F0=120MHz,Vcc=3.465Vdc,Ipp=0.00918A,Irms=0.00325A,Pcrystal=316μW
DERATING:
晶體電流額定值:500mA
降額系數:0.5
實際電流:3.25mA
應力比:0.0065
RESULTSOFA48MHz3rd OVERTONEOSCILLATORQT625L:
WithC0=3pF,CL=20pF,RL=23?,F0=48MHz,Vcc=3.63Vdc
Ipp=0.00112A
Irms=0.00396A
Pcrystal=360µW
DERATING:
Crystalcurrentrating:500mA
Deratingfactor:0.5
Actualcurrent:3.96mA
Stressratio:0.0079
晶體的驅動電平是振蕩器放大器電路中晶體所見功耗的測量值.驅動電平以毫瓦(mW)或微瓦(μW)表示.最大功耗通常由所用石英類型和制造商規定,典型額定值為1mW或2mW.晶體的驅動電平由晶體兩側選擇的反饋分量定義.石英諧振器的機械振動幅度與施加的電流成比例地增加.過度驅動晶體會導致過長的老化,輸出幅度和頻率失真,或者更糟糕的是諧振器的損壞.
行業標準:
IEC-60444-6國際,IEC,石英驅動電平依賴性(DLD)的測量
MIL-C-40468軍用,規格,水晶單元石英(自2009年9月起取消)
Q-TECH設計方法:
-目標是設計具有最低驅動電平的晶體,具有足夠的驅動能力,以極低的驅動器到工作驅動電平提供能量啟動石英晶振,并在最壞情況下維持穩態振蕩,包括電源電壓變化,功率供應斜率,工作溫度和環境因素.
-Q-Tech驅動電平在基模上為50μW至100μW,在泛音模式振蕩器上為200μW至500μW.
-Q-Tech在晶體測量中使用驅動電平相關性(DLD)的標準方法,允許的最大ESR比為1.3:1.
如何測量Oscillator的驅動水平:
使用Tektronix交流電流探頭放大器TCP312和Tekprobe電流探頭測量流過晶體的交流電流,電路偏置電壓為3.465Vdc,最小電流靈敏度為1mA.
建立:
-通過連接到晶體的導線插入電流探頭.見圖1. -測量直接晶振參數RS,RL,C0
-RL也可以用RL=RS*(1+C0/CL)2來計算
-從示波器讀取峰峰值的交流電流(Ipp)
-CalculateRMS電流(Irms)與Irms=Ipp/(2√2)
-Power計算方法:
Pcrystal=RL*(Irms)2
120MHz第3OVERTONE振蕩器的結果:C0=1.88pF,CL=20pF,RL=30Ω,F0=120MHz,Vcc=3.465Vdc,Ipp=0.00918A,Irms=0.00325A,Pcrystal=316μW
DERATING:
晶體電流額定值:500mA
降額系數:0.5
實際電流:3.25mA
應力比:0.0065
RESULTSOFA48MHz3rd OVERTONEOSCILLATORQT625L:
WithC0=3pF,CL=20pF,RL=23?,F0=48MHz,Vcc=3.63Vdc
Ipp=0.00112A
Irms=0.00396A
Pcrystal=360µW
DERATING:
Crystalcurrentrating:500mA
Deratingfactor:0.5
Actualcurrent:3.96mA
Stressratio:0.0079
正在載入評論數據...
相關資訊
- [2025-09-03]Greenray格林雷晶振T1254系列具...
- [2025-09-01]壓電執行器被用于衛星微推進器以...
- [2025-09-01]探索主動阻尼的加速度感測技術用...
- [2025-08-26]使用振蕩器和時鐘發生器整合頻率...
- [2025-08-26]Vectron維管晶振的國防振蕩器在...
- [2024-03-15]Cardinal晶振常見問題CX5Z-A2B2...
- [2024-03-04]Jauch的40MHz的石英毛坯有多厚?...
- [2023-09-21]Skyworks領先同行的綠色生產標準...



業務經理
客服經理