剖析Oscillator的電路工作與使用范圍
來源:http://www.qp11688.cn 作者:金洛鑫電子 2019年03月08
作為現代化工業生產中,不可缺少的一種元器件,Oscillator在業界一直備受關注,廣大頻率元件制造商,也在不斷的突破新技術,直到現在,仍有許多工程師在研究振蕩器的電路和工作原理。我們都知道石英晶體振蕩器的工作特性是頻率振蕩,比起普通的晶體,振蕩器多了很多優勢,比較說不用外接電源就可以通電,并轉化為機械能,對任何產品來說都很重要。Oscillator市面上常見的大部分都是四個焊腳的,每個腳的用處都不一樣,在業內有一種說法:一腳懸空,二腳接地,三腳接輸出,四腳接電壓。即使不用配置復雜的電路,但穩定性,信號都比較好。
晶體振蕩器是電子振蕩器電路,用于壓電材料的振動晶體的機械共振。它將產生具有給定頻率的電信號。該頻率通常用于跟蹤時間,例如:腕表用于數字集成電路,以提供穩定的時鐘信號,也用于穩定無線電發射器和接收器的頻率.Quartz晶體主要用于射頻(RF)振蕩器。石英晶體是最常見的壓電諧振器類型,在我們使用它們的振蕩器電路中,因此它被稱為晶體振蕩器。必須設計晶體振蕩器以提供負載電容。 有不同類型的振蕩器電子電路正在使用它們是:線性振蕩器-哈特利振蕩器,相移振蕩器,阿姆斯特朗振蕩器,克拉普振蕩器,科爾皮茲振蕩器。弛豫振蕩器-Royer振蕩器,環形振蕩器,多諧振蕩器和壓控振蕩器(VCO)。很快我們將詳細討論晶體振蕩器,晶體振蕩器的工作和應用。
晶體振蕩器:
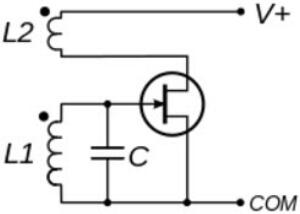
通常雙極晶體管或FET用于構造石英晶體振蕩器電路。這是因為運算放大器可用于低于100KHz的不同低頻振蕩器電路,但運算放大器不具有工作帶寬。在高于1MHz的晶體上匹配的問題將是一個問題。為克服這個問題,設計了Colpitts晶體振蕩器。它將在更高的頻率下工作。在這個振蕩器中,提供反饋振蕩的LC振蕩電路已被石英晶體取代。

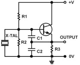
晶體振蕩器電路圖
晶體振蕩器工作:
晶體振蕩器電路通常工作在逆壓電效應的原理上。施加的電場將在一些材料上產生機械變形。因此,它利用振動晶振的機械共振,該機械共振由壓電材料制成,用于產生特定頻率的電信號。通常石英晶體振蕩器是高度穩定的,由良好的品質因數(Q)組成,它們尺寸小,并且經濟上相關。因此,與諸如LC電路,轉向叉的其他諧振器相比,石英晶體振蕩器電路更優越。通常在微處理器和微控制器中,我們使用8MHz晶體振蕩器。
等效電路也描述了晶體的晶體作用。只需看看上面顯示的等效電路圖。電路中使用的基本元件,電感L表示晶體質量,電容C2表示順應性,C1用于表示由于晶體的機械成型而形成的電容,電阻R表示晶體的內部結構摩擦,石英晶體振蕩器電路圖由兩個諧振組成,例如串聯和并聯諧振,即兩個諧振頻率。 當電容C1產生的電抗與電感L產生的電抗相等且相反時,發生串聯諧振.fr和fp分別代表串聯和并聯諧振頻率,'fr'和'fp'的值可以通過使用來確定以下公式如下圖所示。上圖描述了等效電路,諧振頻率的曲線圖,諧振頻率的公式。
晶體振蕩器的使用:
通常,我們知道,在微處理器和微控制器的設計中,OSC晶振用于提供時鐘信號。例如,讓我們考慮8051微控制器,在這個特定的控制器中,外部晶體振蕩器電路將工作在12MHz,這是必不可少的,即使這個8051微控制器(基于型號)能夠工作在40MHz(最大)必須提供12MHz在大多數情況下,因為對于機器周期8051需要12個時鐘周期,所以在1MHz(取12MHz時鐘)到3.33MHz(取最大40MHz時鐘)時給出有效循環速率。該特定晶體振蕩器具有1MHz至3.33MHz的循環速率,用于產生所有內部操作同步所需的時鐘脈沖。晶體振蕩器在各種領域有各種應用,下面給出一些晶體振蕩器應用。
ColpittsCrystalOscillator應用程序:
Colpitts Oscillator用于在非常高的頻率下產生正弦輸出信號。這種石英晶體振蕩器可以用作不同類型的傳感器,例如溫度傳感器由于我們在Colpitts電路中使用的SAW器件,它直接從其表面感應。
阿姆斯壯晶體振蕩器的應用:
該電路直到20世紀40年代才流行。這些廣泛用于再生無線電接收器。在該輸入中,來自天線的射頻信號通過附加繞組磁耦合到諧振電路中,并且減少反饋以獲得反饋回路中的控制。最后,它產生一個窄帶射頻濾波器和放大器。在這個有源的貼片石英晶振中,LC諧振電路被反饋回路取代。 在軍事和航空航天領域:
對于高效的通信系統,晶體振蕩器用于軍事和航空航天。該通信系統是建立在導航系統的導航目的和電子戰。
在研究和測量:
晶體振蕩器用于天體導航和空間跟蹤目的的研究和測量,用于醫療設備和測量儀器。
晶體振蕩器的工業應用:
晶體振蕩器有許多工業應用。它們廣泛用于計算機,儀器儀表,數字系統,鎖相環系統,調制解調器,船舶,電信,傳感器以及磁盤驅動器中。Crystal Oscillator還用于引擎控制,時鐘和計算機,立體聲以及GPS系統。這是一個汽車應用程序。石英晶體振蕩器用于許多消費品中。例如,有線電視系統,攝像機,個人計算機,玩具和視頻游戲,蜂窩電話,無線電系統。這是Crystal Oscillator的消費者應用。
這就是什么是晶體振蕩器,它的工作和應用。我們相信本文中提供的信息有助于您更好地理解這一概念。此外,如果您對本文有任何疑問或有任何實施電氣和電子項目的幫助,您可以通過以下評論部分的評論來與我們聯系。這是一個問題,晶體振蕩器的主要功能是什么?
振蕩器的成本通常都比諧振器高,因為它的技術要求和性能更高,滿足更多中高端產品的設計方案需求,而且Oscillator的選擇有很多種,不同產品可以根據自身的要求選擇不同外形,功能,性能的振蕩器。甚至可以滿足產品高頻率的要求,從1.000MHz~1000.000MHz都有對應的料號。金洛鑫電子提供臺灣,日本,歐洲,美國的進口晶振品牌型號供選,和晶振訂購,售后,樣品,技術支持等一站式服務!
晶體振蕩器是電子振蕩器電路,用于壓電材料的振動晶體的機械共振。它將產生具有給定頻率的電信號。該頻率通常用于跟蹤時間,例如:腕表用于數字集成電路,以提供穩定的時鐘信號,也用于穩定無線電發射器和接收器的頻率.Quartz晶體主要用于射頻(RF)振蕩器。石英晶體是最常見的壓電諧振器類型,在我們使用它們的振蕩器電路中,因此它被稱為晶體振蕩器。必須設計晶體振蕩器以提供負載電容。 有不同類型的振蕩器電子電路正在使用它們是:線性振蕩器-哈特利振蕩器,相移振蕩器,阿姆斯特朗振蕩器,克拉普振蕩器,科爾皮茲振蕩器。弛豫振蕩器-Royer振蕩器,環形振蕩器,多諧振蕩器和壓控振蕩器(VCO)。很快我們將詳細討論晶體振蕩器,晶體振蕩器的工作和應用。
晶體振蕩器:
通常雙極晶體管或FET用于構造石英晶體振蕩器電路。這是因為運算放大器可用于低于100KHz的不同低頻振蕩器電路,但運算放大器不具有工作帶寬。在高于1MHz的晶體上匹配的問題將是一個問題。為克服這個問題,設計了Colpitts晶體振蕩器。它將在更高的頻率下工作。在這個振蕩器中,提供反饋振蕩的LC振蕩電路已被石英晶體取代。

晶體振蕩器電路圖
晶體振蕩器電路通常工作在逆壓電效應的原理上。施加的電場將在一些材料上產生機械變形。因此,它利用振動晶振的機械共振,該機械共振由壓電材料制成,用于產生特定頻率的電信號。通常石英晶體振蕩器是高度穩定的,由良好的品質因數(Q)組成,它們尺寸小,并且經濟上相關。因此,與諸如LC電路,轉向叉的其他諧振器相比,石英晶體振蕩器電路更優越。通常在微處理器和微控制器中,我們使用8MHz晶體振蕩器。
等效電路也描述了晶體的晶體作用。只需看看上面顯示的等效電路圖。電路中使用的基本元件,電感L表示晶體質量,電容C2表示順應性,C1用于表示由于晶體的機械成型而形成的電容,電阻R表示晶體的內部結構摩擦,石英晶體振蕩器電路圖由兩個諧振組成,例如串聯和并聯諧振,即兩個諧振頻率。 當電容C1產生的電抗與電感L產生的電抗相等且相反時,發生串聯諧振.fr和fp分別代表串聯和并聯諧振頻率,'fr'和'fp'的值可以通過使用來確定以下公式如下圖所示。上圖描述了等效電路,諧振頻率的曲線圖,諧振頻率的公式。
晶體振蕩器的使用:
通常,我們知道,在微處理器和微控制器的設計中,OSC晶振用于提供時鐘信號。例如,讓我們考慮8051微控制器,在這個特定的控制器中,外部晶體振蕩器電路將工作在12MHz,這是必不可少的,即使這個8051微控制器(基于型號)能夠工作在40MHz(最大)必須提供12MHz在大多數情況下,因為對于機器周期8051需要12個時鐘周期,所以在1MHz(取12MHz時鐘)到3.33MHz(取最大40MHz時鐘)時給出有效循環速率。該特定晶體振蕩器具有1MHz至3.33MHz的循環速率,用于產生所有內部操作同步所需的時鐘脈沖。晶體振蕩器在各種領域有各種應用,下面給出一些晶體振蕩器應用。
ColpittsCrystalOscillator應用程序:
Colpitts Oscillator用于在非常高的頻率下產生正弦輸出信號。這種石英晶體振蕩器可以用作不同類型的傳感器,例如溫度傳感器由于我們在Colpitts電路中使用的SAW器件,它直接從其表面感應。
Colpitts Crystal Oscillator
Colpitts振蕩器的應用主要涉及使用各種頻率的頻率。也用于無阻尼和連續振蕩條件。使用Colpitts電路中的某些器件,我們可以實現更高的溫度穩定性和高頻率。Colpitts用于開發移動通信和無線電通信。阿姆斯壯晶體振蕩器的應用:
該電路直到20世紀40年代才流行。這些廣泛用于再生無線電接收器。在該輸入中,來自天線的射頻信號通過附加繞組磁耦合到諧振電路中,并且減少反饋以獲得反饋回路中的控制。最后,它產生一個窄帶射頻濾波器和放大器。在這個有源的貼片石英晶振中,LC諧振電路被反饋回路取代。 在軍事和航空航天領域:
對于高效的通信系統,晶體振蕩器用于軍事和航空航天。該通信系統是建立在導航系統的導航目的和電子戰。
在研究和測量:
晶體振蕩器用于天體導航和空間跟蹤目的的研究和測量,用于醫療設備和測量儀器。
晶體振蕩器的工業應用:
晶體振蕩器有許多工業應用。它們廣泛用于計算機,儀器儀表,數字系統,鎖相環系統,調制解調器,船舶,電信,傳感器以及磁盤驅動器中。Crystal Oscillator還用于引擎控制,時鐘和計算機,立體聲以及GPS系統。這是一個汽車應用程序。石英晶體振蕩器用于許多消費品中。例如,有線電視系統,攝像機,個人計算機,玩具和視頻游戲,蜂窩電話,無線電系統。這是Crystal Oscillator的消費者應用。
這就是什么是晶體振蕩器,它的工作和應用。我們相信本文中提供的信息有助于您更好地理解這一概念。此外,如果您對本文有任何疑問或有任何實施電氣和電子項目的幫助,您可以通過以下評論部分的評論來與我們聯系。這是一個問題,晶體振蕩器的主要功能是什么?
振蕩器的成本通常都比諧振器高,因為它的技術要求和性能更高,滿足更多中高端產品的設計方案需求,而且Oscillator的選擇有很多種,不同產品可以根據自身的要求選擇不同外形,功能,性能的振蕩器。甚至可以滿足產品高頻率的要求,從1.000MHz~1000.000MHz都有對應的料號。金洛鑫電子提供臺灣,日本,歐洲,美國的進口晶振品牌型號供選,和晶振訂購,售后,樣品,技術支持等一站式服務!
正在載入評論數據...
相關資訊
- [2025-09-02]探索CTS-CS-BAX-20母線安裝式電...
- [2025-08-28]Skyworks設定超低抖動時鐘緩沖器...
- [2025-08-28]Skyworks展示其在智慧城市汽車等...
- [2025-08-22]EMI控制輕松實現泰藝的SX和SY擴...
- [2025-08-22]泰藝的32.768kHz晶體支持從緊湊...
- [2025-08-21]臺灣SIWARD希華推出小型1610貼片...
- [2025-08-21]WINTRON推出低高度SMD封裝WTC-3...
- [2025-08-20]anderson安德森2520貼片晶體振蕩...






業務經理
客服經理