晶振系列
-
陶瓷霧化片 wuhuapian -
陶瓷晶振 taocijingzhen -
32.768K Clock crystal -
貼片晶振 SMDcrystal -
石英晶振 Quartz Crystal -
聲表面濾波器 Quartz Crystal -
聲表面諧振器 resonator -
陶瓷濾波器 taocilvboqi -
KDS晶振 KDS CRYSTAL -
精工晶振 SEIKO CRYSTAL -
村田晶振 muRata CRYSTAL -
西鐵城晶振 CITIZEN CRYSTAL -
愛普生晶振 EPSON CRYSTAL -
微孔霧化片 微孔霧化片 -
臺灣加高晶體 H.ELE -
進口京瓷晶體 KYOCERA -
日本NDK晶體 進口NDK晶體 -
日本大河晶體 RIVER -
美國CTS晶體 CTS石英晶體 -
臺灣希華晶體 臺灣希華 -
臺灣鴻星晶體 HOSONIC -
臺灣TXC晶體 TXC CRYSTAL -
臺灣泰藝晶體 TAITIEN CRYSTAL -
臺灣亞陶晶體 百利通亞陶 -
臺灣NSK晶體 NSK CRYSTAL -
瑪居禮晶振 臺灣瑪居禮晶振 -
富士晶振 日本富士貼片晶振 -
SHINSUNG晶振 韓國進口SHINSUNG晶振 -
SMI晶振 日本SMI貼片晶振 -
Lihom晶振 韓國Lihom晶振 -
NAKA晶振 日本納卡株式會社晶振 -
AKER晶振 臺灣安碁貼片晶振 -
NKG晶振 NKG石英晶振 -
NJR晶振 日本NJR晶振 -
Sunny晶振 Sunny CRYSTAL -
Statek晶振 Statek貼片晶體 -
Pletronics晶振 Pletronics CRYSTAL -
Jauch晶振 Jauch Crystal -
日蝕晶振 Ecliptek Crystal -
IDT晶振 IDT進口晶振 -
格林雷晶振 Greenray恒溫晶振 -
高利奇晶振 Golledge石英晶體振蕩器 -
維管晶振 Vectron Crystal -
拉隆晶振 Raltron CRYSTAL -
瑞康晶振 Rakon石英晶體 -
康納溫菲爾德晶振 ConnorWinfield Crystal -
ECS晶振 ECS CRYSTAL -
Abracon晶振 Abracon 石英振蕩器 -
CTS晶振 西迪斯晶振 -
SiTime晶振 SiTime可編碼振蕩器 -
微晶晶振 Microcrystal Crystal -
AEK晶振 AEK CRYSTAL -
AEL晶振 AEL CRYSTAL -
Cardinal晶振 Cardinal貼片晶體 -
Crystek晶振 Crystek石英晶振 -
Fox晶振 Fox有源晶振 -
Frequency晶振 Frequency Crystal -
GEYER晶振 GEYER CRYSTAL -
KVG晶振 KVG石英晶體 -
ILSI晶振 ILSI CRYSTAL -
Euroquartz晶振 Euroquartz crystal -
MMDCOMP晶振 MMDCOMP貼片晶振 -
MtronPTI晶振 MtronPTI晶體諧振器 -
QANTEK晶振 QANTEK石英晶振 -
QuartzCom晶振 QuartzCom石英晶體 -
Quarztechnik晶振 Quarztechnik Crystal -
Suntsu晶振 Suntsu石英貼片晶振 -
Transko晶振 Transko crystal -
Wi2Wi晶振 Wi2Wi Crystal -
Rubyquartz晶振 進口Rubyquartz CRYSTAL -
ACT晶振 ACT石英晶振 -
Oscilent晶振 Oscilent CRYSTAL -
ITTI晶振 ITTI石英晶體諧振器 -
MTI-milliren晶振 MTI Crystal -
PDI晶振 PDI CRYSTAL -
IQD晶振 IQD CRYSTAL -
Microchip晶振 Microchip crystal -
Silicon晶振 Silicon Crystal -
安德森晶振 Anderson Crystal -
富通晶振 Fortiming Crystal -
CORE晶振 CORE CRYSTAL -
NIPPON晶振 NIPPON石英晶體振蕩器 -
NIC晶振 NIC Crystal -
QVS晶振 QVS CRYSTAL -
Bomar晶振 Bomar Crystal -
Bliley晶振 Bliley Crystal -
GED晶振 GED CRYSTAL -
FILTRONETICS晶振 FILTRONETICS CRYSTAL -
Standard晶振 Standard Crystal -
Q-Tech晶振 美國Q-Tech晶振 -
Wenzel晶振 Wenzel Crystal -
NEL晶振 美國NEL晶振 -
EM晶振 EM CRYSTAL -
PETERMANN晶振 PETERMANN CRYSTAL -
FCD-Tech晶振 荷蘭晶振FCD-Tech -
HEC晶振 HEC CRYSTAL -
FMI晶振 FMI CRYSTAL -
麥克羅比特晶振 Macrobizes Crystal -
AXTAL晶振 AXTAL CRYSTAL -
ARGO晶振 ARGO晶振公司是專業提供和設計波段頻率控制設備和微波無線通信零部件.我們還分銷日本,歐洲和美國的一些知名品牌零部件.我們致力于發展與計算機,IT和無線通信公司無任何界限的信息時代.我們秉承經營者的踏實,誠懇的態度,互惠互利的精神,實現共贏的目標,以誠信為本,誠信為本,公平交易為宗旨,以誠信,勤勉,誠信,精神質量第一,客戶滿意的經營理念,將以優良的產品質量,優惠的價格,優質的服務與您建立長期穩定的合作關系,共創輝煌事業. -
SKYWORKS晶振 -
Renesas瑞薩晶振 -
貼片石英晶振 SMD CRYSTAL -
貼片陶瓷晶振 SMD 陶振 -
有源晶振 Oscillator -
石英晶體振蕩器 OSC石英晶體振蕩器 -
壓控晶振 VCXO進口晶振 -
壓控溫補晶振 VC-TCXO CRYSTAL -
恒溫晶振 OCXO有源晶振 -
差分晶振 差分石英晶體振蕩器 -
數碼產品 -
醫療產品 -
汽車產品 -
移動產品 -
智能家居 -
網絡設備
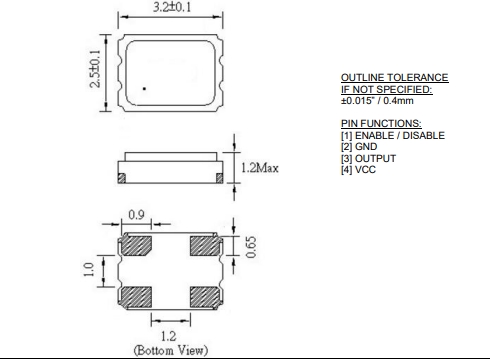
- 規格型號:37005407
- 頻率:14.31818 MHz
- 尺寸:3.20mm x 2.50mm
- 產品描述:COM1305-14.31818-TR|COM1晶振|HCMOS輸出晶振|拉隆貼片晶振,HCMOS輸出接口兼容性極強,可直接與8051,STM32等主流MCU及邏輯芯片對接,無需額外電平轉換電路,簡化系統設計;14.31818MHz頻率無需用戶自行校準,可直接用于需要...
COM1305-14.31818-TR|COM1晶振|HCMOS輸出晶振|拉隆貼片晶振
.png)
.png)
COM1305-14.31818-TR|COM1晶振|HCMOS輸出晶振|拉隆貼片晶振
拉隆(Raltron)旗下COM1系列的COM1305-14.31818-TR晶振,是一款專為中低速電子設備設計的HCMOS輸出貼片晶振,核心參數精準匹配消費電子與工業控制基礎場景需求.其輸出頻率固定為14.31818MHz,該頻率是傳統電子設備(如計算機外設,通信模塊)的經典時鐘頻率,能穩定提供基礎時序支撐;采用HCMOS輸出技術,信號電平與多數3.3V/5V通用電子系統兼容,無需額外電平適配;搭配3225貼片晶振封裝,體積超小巧,可輕松融入高密度PCB板布局,且TR(卷帶)包裝適配自動化SMT生產線,大幅提升下游廠商批量組裝效率,是兼顧兼容性與空間利用率的基礎時鐘器件.
.png)
.png)
COM1305-14.31818-TR|COM1晶振|HCMOS輸出晶振|拉隆貼片晶振
| 原廠型號 Originalmodel: | COM1305-14.31818-TR | 品牌brand: | Raltron |
| Manufacturer品牌 | Raltron晶振 | OperatingTemperature溫度 | -10°C ~ 70°C |
| Series型號 | COM1 | Current-Supply(Max) | 10mA |
| Type類型 | XO | PackageHeight高度 | 1.00mm |
| Frequency頻率 | 14.31818 MHz | Termination 腳位 | 4pad |
| 輸出方式 Output: | HCMOS | PackageType 封裝類型 | 4-SMD |
| Voltage-Supply電壓 | 3.3V | Packaging 包裝 | TapeandReel |
| FrequencyStability頻率穩定度 | ±50ppm | 安裝方式 Installation: | Surfacemount |
| Size/Dimension尺寸 | 3.20mm x 2.50mm | 最小包裝數MPQ: | 3000 |
.png)
.png)
COM1305-14.31818-TR|COM1晶振|HCMOS輸出晶振|拉隆貼片晶振

.png)
COM1305-14.31818-TR|COM1晶振|HCMOS輸出晶振|拉隆貼片晶振
| COM23025-80.000-EXT-TR | Raltron | COM2 | XO (Standard) | 80 MHz | CMOS | 3.3V | ±25ppm |
| CO4305-12.000-TR | Raltron | CO43 | XO (Standard) | 12 MHz | CMOS | 3.3V | ±50ppm |
| CO4305-11.184-TR | Raltron | CO43 | XO (Standard) | 11.184 MHz | CMOS | 3.3V | ±50ppm |
| CO4310-9.8304-TR | Raltron | CO43 | XO (Standard) | 9.8304 MHz | CMOS | 3.3V | ±100ppm |
| CO4305-32.768-EXT-T-TR | Raltron | CO43 | XO (Standard) | 32.768 MHz | CMOS | 3.3V | ±50ppm |
| CO4305S-16.000-T-TR | Raltron | CO43S | XO (Standard) | 16 MHz | - | 3.3V | ±50ppm |
| CO4305-27.000-EXT-TR | Raltron | CO43 | XO (Standard) | 27 MHz | CMOS | 3.3V | ±50ppm |
| CO4305-4.096-EXT-T-TR | Raltron | CO43 | XO (Standard) | 4.096 MHz | CMOS | 3.3V | ±50ppm |
| CO4305-33.333-T-TR | Raltron | CO43 | XO (Standard) | 33.333 MHz | CMOS | 3.3V | ±50ppm |
| CO4305-4.000-TR | Raltron | CO43 | XO (Standard) | 4 MHz | CMOS | 3.3V | ±50ppm |
| CO4305-12.000-T-TR | Raltron | CO43 | XO (Standard) | 12 MHz | CMOS | 3.3V | ±50ppm |
| CO4305-3.6864-EXT-TR | Raltron | CO43 | XO (Standard) | 3.6864 MHz | CMOS | 3.3V | ±50ppm |
| CO4310-40.000-T-TR | Raltron | CO43 | XO (Standard) | 40 MHz | CMOS | 3.3V | ±100ppm |
| CO4305-32.768-T-TR | Raltron | CO43 | XO (Standard) | 32.768 MHz | CMOS | 3.3V | ±50ppm |
| CO4305S-4.000-T-TR | Raltron | CO43S | XO (Standard) | 4 MHz | - | 3.3V | ±50ppm |
| CO4305-8.000-TR | Raltron | CO43 | XO (Standard) | 8 MHz | CMOS | 3.3V | ±50ppm |
| CO4305-48.000-EXT-TR | Raltron | CO43 | XO (Standard) | 48 MHz | CMOS | 3.3V | ±50ppm |
| CO4305-33.333-EXT-T-TR | Raltron | CO43 | XO (Standard) | 33.333 MHz | CMOS | 3.3V | ±50ppm |
| COM118025-25.000-EXT-T-TR | Raltron | COM1 | XO (Standard) | 25 MHz | HCMOS | 1.8V | ±25ppm |
| CO2520-20.000-1.8-50-TR | Raltron | CO2520 | XO (Standard) | 20 MHz | CMOS | 1.8V | ±50ppm |
| CO2520-24.000-3.3-50-EXT-TR | Raltron | CO2520 | XO (Standard) | 24 MHz | CMOS | 3.3V | ±50ppm |
| CO2520-0.032768-2.5-25-X-T-TR | Raltron | CO2520-0.032768 | XO (Standard) | 32.768 kHz | CMOS | 2.5V | ±25ppm |
| COM118025-50.000-EXT-T-TR | Raltron | COM1 | XO (Standard) | 50 MHz | HCMOS | 1.8V | ±25ppm |
| CO2520-24.576-3.3-50-T-TR | Raltron | CO2520 | XO (Standard) | 24.576 MHz | CMOS | 3.3V | ±50ppm |
| CO2520-0.032768-3.3-30-X-T-TR | Raltron | CO2520-0.032768 | XO (Standard) | 32.768 kHz | CMOS | 3.3V | ±30ppm |
| COM11805-12.000-EXT-T-TR | Raltron | COM1 | XO (Standard) | 12 MHz | HCMOS | 1.8V | ±50ppm |
| CO2520-0.032768-1.8-25-X-T-TR | Raltron | CO2520-0.032768 | XO (Standard) | 32.768 kHz | CMOS | 1.8V | ±25ppm |
| CO2520-24.576-1.8-50-X-T-TR | Raltron | CO2520 | XO (Standard) | 24.576 MHz | CMOS | 1.8V | ±50ppm |
| CO2520-19.200-18-50-T-TR | Raltron | CO2520 | XO (Standard) | 19.2 MHz | CMOS | 1.8V | ±50ppm |
| CO4310-25.000-T-HW | Raltron | - | - | - | - | - | - |
| COM12502-40.000-TR-NS1 | Raltron | COM1 | XO (Standard) | 40 MHz | HCMOS | 2.5V | ±20ppm |
| COM125025-25.000-EXT-T-TR | Raltron | COM1 | XO (Standard) | 25 MHz | HCMOS | 2.5V | ±25ppm |
| CO2016-32.000-3.3-50-EXT-TR | Raltron | CO2016 | XO (Standard) | 32 MHz | CMOS | 3.3V | ±50ppm |
| CO2016-25.000-1.8-50-TR | Raltron | CO2016 | XO | 25 MHz | CMOS | 1.8V | ±50ppm |
| CO2016-24.576-3.3-50-TR | Raltron | CO2016 | XO (Standard) | 24.576 MHz | CMOS | 3.3V | ±50ppm |
| CO2016-20.000-3.3-50-T-TR | Raltron | CO2016 | XO (Standard) | 20 MHz | CMOS | 3.3V | ±50ppm |
| CO2016-12.000-1.8-50-EXT-TR | Raltron | CO2016 | XO (Standard) | 12 MHz | CMOS | 1.8V | ±50ppm |
| CO2016-38.400-1.8-50-EXT-TR | Raltron | CO2016 | XO (Standard) | 38.4 MHz | CMOS | 1.8V | ±50ppm |
| COM2305-25.000-EXT-TR | Raltron | COM2 | XO (Standard) | 25 MHz | CMOS | 3.3V | ±50ppm |
| CO2520-133.000-3.3-100-X-T-TR | Raltron | CO2520 | XO (Standard) | 133 MHz | CMOS | 3.3V | ±100ppm |
| CO2520-32.000-3.3-50-EXT-TR | Raltron | CO2520 | XO (Standard) | 32 MHz | CMOS | 3.3V | ±50ppm |
| CO2520-54.000-2.5-20-T-TR-NS1 | Raltron | CO2520 | XO (Standard) | 54 MHz | CMOS | 2.5V | ±20ppm |
| CO2520-50.000-1.8-50-T-TR | Raltron | CO2520 | XO (Standard) | 50 MHz | CMOS | 1.8V | ±50ppm |
| CO2520-50.000-3.3-50-T-TR-NS2 | Raltron | CO2520 | XO (Standard) | 50 MHz | CMOS | 3.3V | ±50ppm |
| CO4305S-24.000-EXT-TR | Raltron | - | - | - | - | - | - |
| CO4305-25.000-EXT-T-TR | Raltron | CO43 | XO (Standard) | 25 MHz | CMOS | 3.3V | ±50ppm |
| CO4305-50.000-EXT-T-TR | Raltron | CO43 | XO (Standard) | 50 MHz | CMOS | 3.3V | ±50ppm |
| CO4305-10.000-EXT-T-TR | Raltron | CO43 | XO (Standard) | 10 MHz | CMOS, TTL | 3.3V | ±50ppm |
| CO4305-24.000-EXT-T-TR | Raltron | CO43 | XO (Standard) | 24 MHz | CMOS, TTL | 3.3V | ±50ppm |
| CO2520-42.000-2.5-30-EXT-T-TR | Raltron | CO2520 | XO (Standard) | 42 MHz | CMOS | 2.5V | ±30ppm |
| CO2520-25.000-1.8-50-EXT-T-TR | Raltron | CO2520 | XO (Standard) | 25 MHz | CMOS | 1.8V | ±50ppm |
| CO4910-10.700-EXT-T-TR | Raltron | CO49 | XO (Standard) | 10.7 MHz | TTL | 5V | ±100ppm |
| CO4910-12.000-TR | Raltron | CO49 | XO (Standard) | 12 MHz | TTL | 5V | ±100ppm |
| CO4805-2.048-EXT-TR | Raltron | CO48 | XO (Standard) | 2.048 MHz | TTL | 5V | ±50ppm |
| CO4805-50.000-TR | Raltron | CO48 | XO (Standard) | 50 MHz | TTL | 5V | ±50ppm |
| CO4805-16.000-T-TR | Raltron | CO48 | XO (Standard) | 16 MHz | TTL | 5V | ±50ppm |
| CO4910-20.000-TR | Raltron | CO49 | XO (Standard) | 20 MHz | TTL | 5V | ±100ppm |
| CO4805-50.000-EXT-TR | Raltron | CO48 | XO (Standard) | 50 MHz | TTL | 5V | ±50ppm |
| CO4810-4.000-EXT-TR | Raltron | CO48 | XO (Standard) | 4 MHz | TTL | 5V | ±100ppm |
| CO4910-10.000-EXT-T-TR | Raltron | CO49 | XO (Standard) | 10 MHz | TTL | 5V | ±100ppm |






業務經理
客服經理