微處理器方案晶振選用指導
來源:http://www.qp11688.cn 作者:金洛鑫電子 2019年03月14
微處理器是一種中央處理器由多個大規模集成電路組合而成,主要作用是執行系統命令,收取命令,交換邏輯元件及存儲器的信息傳輸。是現在代化工業,商業,民用級領域產品核心部件,在生活中無處不存在。微處理器采用的電子元器件有非常多種,晶振是其中一種比較重要的,如果沒有晶振微處理器將無法完成工作,微處理器選用石英晶振也有一套嚴格的標準,接下來,金洛鑫電子就帶大家一起看看,正確的為微處理器選擇的方法和負電阻測量。
除非在微處理器數據表中另有規定,否則本文可用作選擇晶體的一般指導,該晶體可與許多領先的微處理器制造商一起使用。大多數微處理器都包括一個帶正反饋電阻(典型值為1MO)的逆變器設計,帶有一個可選的串聯電阻,其值在10歐姆到1K歐姆之間變化。 具有輸入端口(通常稱為XIN,XI,XTALI或類似性質)和輸出端口(XOUT,XO,XTALO或類似性質),用于這兩個端口之間的晶體單元連接。大多數芯片都設計有一個選項,可以通過外部石英晶體振蕩器驅動輸入到晶體輸入端口,也可以使用外部晶振驅動。
繪制晶體振蕩器根據共振頻率,可以選擇晶體作為基波或泛音模式。通常,28MHz以上的頻率需要第三個泛音模式以獲得價格優勢和交付。在并聯模式中,晶體電抗是電感性的,需要兩個外部電容器(C1)和(C2)來實現必要的振蕩相移。無論晶體處于基本模式還是泛音模式,都需要C1和C2。C1和C2的值由芯片制造商規定,從6pF到47pF不等。
C1和C2可能不平衡,即值相等,但有時會以特定比率(C1/C2)偏移以獲得最佳性能,具體取決于石英晶振和放大器特性以及電路板布局。下圖示出了基模操作的典型配置。 在泛音模式中,需要額外的電感器L1和電容Cc來選擇第三泛音模式,同時抑制或拒絕基模。選擇第三泛音晶體電路中的L1和Cc值以滿足以下條件。來自串聯諧振電路的L1,Cc分量的頻率低于基頻,這使得電路在基頻下看起來是電感性的。這種情況不利于基模的振蕩。繪制有源晶振來自并聯諧振電路的L1,Cc和C2分量的頻率大約在基波和第三泛音頻率之間的中間。這種情況使電路在第三泛音頻率處電容,這有利于在所需的泛音模式下的振蕩。
在標準泛音模式下,C2值從10pF到30pF不等。Cc值應選擇至少為C2值的10倍,因此其等效C-equiv。將近似值。不同Quartz Crystal頻率的L1典型值:
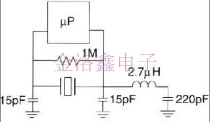
圖中示出了40.320MHz,第三泛音模式操作的典型電路配置。
負電阻測量:
當晶體單元在振蕩電路中作為感應無功電抗被驅動時,諧振器單元和振蕩電路之間的關系如下圖所示。為了改善振蕩電路的起始條件,可以增加振蕩電路的值。負電阻-R-振蕩電路的哪個參數。如果沒有很大負電阻(較小負電阻)的電路與具有較大諧振電阻的晶體單元組合,則啟動條件將變得更糟。振蕩電路應設計成使得負電阻值為諧振電阻的5至10倍。 還需要將負載電容的中心值(確定振蕩頻率的絕對值)和可變范圍(振蕩頻率的微調范圍)保持在振蕩電路中的最佳值。
負阻測量程序:
打開所用主電路中晶體單元的任一端,并將可變電阻器串聯插入石英晶體單元,如圖E所示。改變電阻值以檢查當時觀察到的振蕩極限和電阻(歐姆)。在這種情況下,必須打開和關閉電源電路。電路中的負電阻(-R)是通過上述方法獲得的值與晶體的諧振電阻R1之和。該測量應在工作頻率的上限和下限進行。
為微處理器選擇合適可降低成本的石英晶體并不復雜,考究的是設計者和工程的專業性,金洛鑫電子是進口晶振代理商,除了產品還提供技術支持服務,可協助廣大新老客戶選擇產品所需的石英晶體和時鐘振蕩器。有任何與晶振相關的,都可以聯系我司,客戶的滿意度,就是我們追求完美的動力。
除非在微處理器數據表中另有規定,否則本文可用作選擇晶體的一般指導,該晶體可與許多領先的微處理器制造商一起使用。大多數微處理器都包括一個帶正反饋電阻(典型值為1MO)的逆變器設計,帶有一個可選的串聯電阻,其值在10歐姆到1K歐姆之間變化。 具有輸入端口(通常稱為XIN,XI,XTALI或類似性質)和輸出端口(XOUT,XO,XTALO或類似性質),用于這兩個端口之間的晶體單元連接。大多數芯片都設計有一個選項,可以通過外部石英晶體振蕩器驅動輸入到晶體輸入端口,也可以使用外部晶振驅動。
繪制晶體振蕩器根據共振頻率,可以選擇晶體作為基波或泛音模式。通常,28MHz以上的頻率需要第三個泛音模式以獲得價格優勢和交付。在并聯模式中,晶體電抗是電感性的,需要兩個外部電容器(C1)和(C2)來實現必要的振蕩相移。無論晶體處于基本模式還是泛音模式,都需要C1和C2。C1和C2的值由芯片制造商規定,從6pF到47pF不等。
C1和C2可能不平衡,即值相等,但有時會以特定比率(C1/C2)偏移以獲得最佳性能,具體取決于石英晶振和放大器特性以及電路板布局。下圖示出了基模操作的典型配置。 在泛音模式中,需要額外的電感器L1和電容Cc來選擇第三泛音模式,同時抑制或拒絕基模。選擇第三泛音晶體電路中的L1和Cc值以滿足以下條件。來自串聯諧振電路的L1,Cc分量的頻率低于基頻,這使得電路在基頻下看起來是電感性的。這種情況不利于基模的振蕩。繪制有源晶振來自并聯諧振電路的L1,Cc和C2分量的頻率大約在基波和第三泛音頻率之間的中間。這種情況使電路在第三泛音頻率處電容,這有利于在所需的泛音模式下的振蕩。


當晶體單元在振蕩電路中作為感應無功電抗被驅動時,諧振器單元和振蕩電路之間的關系如下圖所示。為了改善振蕩電路的起始條件,可以增加振蕩電路的值。負電阻-R-振蕩電路的哪個參數。如果沒有很大負電阻(較小負電阻)的電路與具有較大諧振電阻的晶體單元組合,則啟動條件將變得更糟。振蕩電路應設計成使得負電阻值為諧振電阻的5至10倍。 還需要將負載電容的中心值(確定振蕩頻率的絕對值)和可變范圍(振蕩頻率的微調范圍)保持在振蕩電路中的最佳值。
負阻測量程序:
打開所用主電路中晶體單元的任一端,并將可變電阻器串聯插入石英晶體單元,如圖E所示。改變電阻值以檢查當時觀察到的振蕩極限和電阻(歐姆)。在這種情況下,必須打開和關閉電源電路。電路中的負電阻(-R)是通過上述方法獲得的值與晶體的諧振電阻R1之和。該測量應在工作頻率的上限和下限進行。
為微處理器選擇合適可降低成本的石英晶體并不復雜,考究的是設計者和工程的專業性,金洛鑫電子是進口晶振代理商,除了產品還提供技術支持服務,可協助廣大新老客戶選擇產品所需的石英晶體和時鐘振蕩器。有任何與晶振相關的,都可以聯系我司,客戶的滿意度,就是我們追求完美的動力。
正在載入評論數據...
相關資訊
- [2025-08-29]CTS致力于成為技術的前沿提供創...
- [2025-08-29]Diodes宣布推出一款智能48通道L...
- [2025-08-25]Rakon瑞康為什么應該放棄標準CO...
- [2025-08-25]Transko特蘭斯科推出了結合MEMS...
- [2025-08-23]SiT5503超精密溫度補償晶體振蕩...
- [2025-08-23]探索SiTime專為導航航空航天和國...
- [2024-04-11]CTECH濾波器型號數據列表CLB75P...
- [2024-03-18]Statek晶振產品應用CX20SCSM1-1...






業務經理
客服經理