晶振系列
-
陶瓷霧化片 wuhuapian -
陶瓷晶振 taocijingzhen -
32.768K Clock crystal -
貼片晶振 SMDcrystal -
石英晶振 Quartz Crystal -
聲表面濾波器 Quartz Crystal -
聲表面諧振器 resonator -
陶瓷濾波器 taocilvboqi -
KDS晶振 KDS CRYSTAL -
精工晶振 SEIKO CRYSTAL -
村田晶振 muRata CRYSTAL -
西鐵城晶振 CITIZEN CRYSTAL -
愛普生晶振 EPSON CRYSTAL -
微孔霧化片 微孔霧化片 -
臺灣加高晶體 H.ELE -
進口京瓷晶體 KYOCERA -
日本NDK晶體 進口NDK晶體 -
日本大河晶體 RIVER -
美國CTS晶體 CTS石英晶體 -
臺灣希華晶體 臺灣希華 -
臺灣鴻星晶體 HOSONIC -
臺灣TXC晶體 TXC CRYSTAL -
臺灣泰藝晶體 TAITIEN CRYSTAL -
臺灣亞陶晶體 百利通亞陶 -
臺灣NSK晶體 NSK CRYSTAL -
瑪居禮晶振 臺灣瑪居禮晶振 -
富士晶振 日本富士貼片晶振 -
SHINSUNG晶振 韓國進口SHINSUNG晶振 -
SMI晶振 日本SMI貼片晶振 -
Lihom晶振 韓國Lihom晶振 -
NAKA晶振 日本納卡株式會社晶振 -
AKER晶振 臺灣安碁貼片晶振 -
NKG晶振 NKG石英晶振 -
NJR晶振 日本NJR晶振 -
Sunny晶振 Sunny CRYSTAL -
Statek晶振 Statek貼片晶體 -
Pletronics晶振 Pletronics CRYSTAL -
Jauch晶振 Jauch Crystal -
日蝕晶振 Ecliptek Crystal -
IDT晶振 IDT進口晶振 -
格林雷晶振 Greenray恒溫晶振 -
高利奇晶振 Golledge石英晶體振蕩器 -
維管晶振 Vectron Crystal -
拉隆晶振 Raltron CRYSTAL -
瑞康晶振 Rakon石英晶體 -
康納溫菲爾德晶振 ConnorWinfield Crystal -
ECS晶振 ECS CRYSTAL -
Abracon晶振 Abracon 石英振蕩器 -
CTS晶振 西迪斯晶振 -
SiTime晶振 SiTime可編碼振蕩器 -
微晶晶振 Microcrystal Crystal -
AEK晶振 AEK CRYSTAL -
AEL晶振 AEL CRYSTAL -
Cardinal晶振 Cardinal貼片晶體 -
Crystek晶振 Crystek石英晶振 -
Fox晶振 Fox有源晶振 -
Frequency晶振 Frequency Crystal -
GEYER晶振 GEYER CRYSTAL -
KVG晶振 KVG石英晶體 -
ILSI晶振 ILSI CRYSTAL -
Euroquartz晶振 Euroquartz crystal -
MMDCOMP晶振 MMDCOMP貼片晶振 -
MtronPTI晶振 MtronPTI晶體諧振器 -
QANTEK晶振 QANTEK石英晶振 -
QuartzCom晶振 QuartzCom石英晶體 -
Quarztechnik晶振 Quarztechnik Crystal -
Suntsu晶振 Suntsu石英貼片晶振 -
Transko晶振 Transko crystal -
Wi2Wi晶振 Wi2Wi Crystal -
Rubyquartz晶振 進口Rubyquartz CRYSTAL -
ACT晶振 ACT石英晶振 -
Oscilent晶振 Oscilent CRYSTAL -
ITTI晶振 ITTI石英晶體諧振器 -
MTI-milliren晶振 MTI Crystal -
PDI晶振 PDI CRYSTAL -
IQD晶振 IQD CRYSTAL -
Microchip晶振 Microchip crystal -
Silicon晶振 Silicon Crystal -
安德森晶振 Anderson Crystal -
富通晶振 Fortiming Crystal -
CORE晶振 CORE CRYSTAL -
NIPPON晶振 NIPPON石英晶體振蕩器 -
NIC晶振 NIC Crystal -
QVS晶振 QVS CRYSTAL -
Bomar晶振 Bomar Crystal -
Bliley晶振 Bliley Crystal -
GED晶振 GED CRYSTAL -
FILTRONETICS晶振 FILTRONETICS CRYSTAL -
Standard晶振 Standard Crystal -
Q-Tech晶振 美國Q-Tech晶振 -
Wenzel晶振 Wenzel Crystal -
NEL晶振 美國NEL晶振 -
EM晶振 EM CRYSTAL -
PETERMANN晶振 PETERMANN CRYSTAL -
FCD-Tech晶振 荷蘭晶振FCD-Tech -
HEC晶振 HEC CRYSTAL -
FMI晶振 FMI CRYSTAL -
麥克羅比特晶振 Macrobizes Crystal -
AXTAL晶振 AXTAL CRYSTAL -
ARGO晶振 ARGO晶振公司是專業提供和設計波段頻率控制設備和微波無線通信零部件.我們還分銷日本,歐洲和美國的一些知名品牌零部件.我們致力于發展與計算機,IT和無線通信公司無任何界限的信息時代.我們秉承經營者的踏實,誠懇的態度,互惠互利的精神,實現共贏的目標,以誠信為本,誠信為本,公平交易為宗旨,以誠信,勤勉,誠信,精神質量第一,客戶滿意的經營理念,將以優良的產品質量,優惠的價格,優質的服務與您建立長期穩定的合作關系,共創輝煌事業. -
SKYWORKS晶振 -
Renesas瑞薩晶振 -
貼片石英晶振 SMD CRYSTAL -
貼片陶瓷晶振 SMD 陶振 -
有源晶振 Oscillator -
石英晶體振蕩器 OSC石英晶體振蕩器 -
壓控晶振 VCXO進口晶振 -
壓控溫補晶振 VC-TCXO CRYSTAL -
恒溫晶振 OCXO有源晶振 -
差分晶振 差分石英晶體振蕩器 -
數碼產品 -
醫療產品 -
汽車產品 -
移動產品 -
智能家居 -
網絡設備
- 規格型號:96775417
- 頻率:13.000MHZ~52.000MHZ
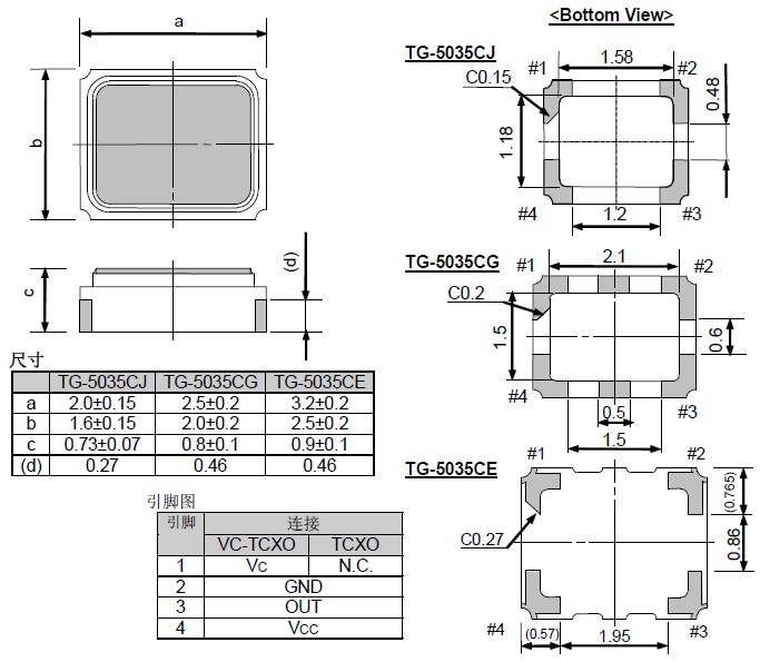
- 尺寸:2.50*2.00*0.8mm 詳細資料請查看PDF
- 產品描述:被廣泛應用到一些比較高端的數碼通訊產品領域,GPS全球定位系統,“TG-5035CG-13N 19.2000M3”,智能手機,WiMAX和蜂窩和無線通信等產品,符合RoHS/無鉛.
溫補晶振,石英晶振,貼片晶振,TG-5035CG晶振,TG-5035CG-13N 19.2000M3
石英晶振,溫補晶振,貼片晶振,TG-5035CG晶振“TG-5035CG-13N 19.2000M3”
頻率范圍13.000MHZ-52.000MHZ
電源電壓:1.8V
頻率老化: ±1.5ppm
工作溫度: -40℃~+85℃
保存溫度: -40℃~+85℃
精度 ±0.5 ppm
輸出方式:COMS
尺寸:小體積2.5*2.0*0.8mm
應用:汽車導航系統、汽車多媒體、遙控無鑰門鎖、車身電子、程控交換系統、無線發射基站、集成電路等產品。
.jpg)
EPSON愛普生公司成立于1942年5月,總部位于日本長野縣諏訪市,是數碼映像領域的全球領先企業.愛普生晶振集團通過富有創新和創造力的文化,提升企業價值,“TG-5035CG-13N 19.2000M3”致力于為客戶提供數碼影像創新技術和解決方案.同時愛普生以提供原子鐘的精準石英晶體振蕩器知名業界.僅此在音叉振子和振蕩器還遠遠達不到愛普生本身的要求.他們要求的是在元器件占領NO1.因此除了KHZ,MHZ的研究發展,另外還發明GHZ技術,使工藝技術達到人無完人,史前無例,實現以基波方式產生2.5GHz為止高頻的聲表面濾波器(SAW)元器件.

石英晶振,貼片晶振,TG-5035CG晶振,溫補晶振,“TG-5035CG-13N 19.2000M3”是一款2520mm貼片型的小體積溫補晶體振蕩器,厚度僅有0.8mm,超小超輕薄的石英晶振,電源電壓范圍從1.7V~3.3V可用,縮小占用空間的同時也可以節省電流,TG-5035CG晶振精度最高可以達到±0.5ppm,即使在特別惡劣的環境下,也可以適應,在-30~-40℃的低溫環境下,起振時間大約只需要2~3ms左右。

| 晶振型號/輸出類型 | TG-5035CG晶振,溫補振蕩器 |
| 晶振類型 | TCXO振蕩器 |
| 占空比 | 45 % ~ 55 % |
| 振蕩模式 | 基本/第三泛音 |
| 電源電壓 | 1.8V |
| 頻率范圍2 | 13.000MHZ-52.000MHZ |
| 頻率穩定度 | ±0.5ppm |
| 工作溫度 | -40~+85℃ |
| 保存溫度 | -40~+85℃ |
| 電壓卷(最大值)/ VOH(最小值) | 0.1VDD/0.9VDD |
| 啟動時間 | 3 ms Max. |
| 相位抖動(12千赫?20兆赫) | 1個PS最大。 |
| 老化率 | ±5ppm /年最大。 |

.jpg)

當晶體產品上存在任何給定沖擊或受到周期性機械振動時,比如:壓電揚聲器,壓電蜂鳴器,以及喇叭等,輸出頻率和幅度會受到影響。這種現象對通信器材通信質量有影響。盡管晶振產品設計可最小化這種機械振動的影響,我們推薦事先檢查并按照下列安裝指南進行操作。
PCB設計指導
(1) 理想情況下,機械蜂鳴器應安裝在一個獨立于貼片晶振器件的PCB板上。如果您安裝在同一個PCB板上,最好使用余量或切割PCB。當應用于PCB板本身或PCB板體內部時,機械振動程度有所不同。建議遵照內部板體特性。
(2) 在設計時請參考相應的推薦封裝。
(3) 在使用焊料助焊劑時,按JIS標準(JIS C 60068-2-20/IEC 60,068-2-20).來使用。
(4) 請按JIS標準(JIS Z 3282, Pb 含量 1000ppm, 0.1wt% 或更少)來使用無鉛焊料。
存儲事項
(1) 在更高或更低溫度或高濕度環境下長時間保存有源晶振產品時,會影響頻率穩定性或焊接性。請在正常溫度和濕度環境下保存這些晶體產品,并在開封后盡可能進行安裝,以免長期儲藏。
正常溫度和濕度:
溫度:+15°C 至 +35°C,濕度 25 % RH 至 85 % RH(請參閱“測試點JIS C 60068-1 / IEC 60068-1的標準條件”章節內容)。
(2) 請仔細處理內外盒與卷帶。外部壓力會導致卷帶受到損壞。

1.驅動能力
驅動能力說明所需電功率,其計算公式如下:
驅動能力 (P) = i2.Re
其中i表示經過單元的電流,
Re表示單元的有效電阻,而且 Re=R1(1+Co/CL)2。
2.振蕩補償
除非在進口晶體振蕩器電路中提供足夠的負極電阻,否則會增加啟動時間,或不發生振蕩。為避免該情況發生,請在電路設計時提供足夠的負極
.jpg)
3.負載電容
如果貼片振蕩器電路中負載電容的不同,可能導致頻率與設計頻率之間產生偏差,如下圖所示。電路中的負載電容的近似表達式 CL≒CG × CD / (CG+CD) + CS。
其中CS表示電路的雜散電容。
.jpg)

深 圳 市 金 洛 電 子 有 限 公 司代理:EPSON,KDS,SEIKO,CITIZEN
電話:0755-27837162
手機:13510569637
郵箱:jinluodz@163.com
Q Q:657116624
地址:深圳市寶安41區甲岸路19號
網址:http://www.qp11688.cn









業務經理
客服經理